Product

产品中心

LQP225H12T42J3

  • 紧凑型封装

  • 高功率密度

  • 低开关损耗

  • PCB组装

  • 集成负温度系数传感器

  • 氧化铝绝缘衬板

产品应用

  • 储能系统

  • 太阳能应用

  • 三电平应用

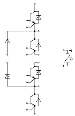
内部电路图

规格参数

TYPET1, T4T2, T3CircuitPackageTechnology
VCES
Volts
IC
Amps
VCE(SAT)
Volts
Ptot
Watts
VCES
Volts
IC
Amps
VCE(SAT)
Volts
Ptot
Watts
LVP400H07P4-3IT650V400A1.50V1200W650V400A1.50V1200WI typeEZPACK 3BTrenchFS


行业应用

北一持续深耕高端精密元器件领域
打造民族品牌,用智能科技链接世界

联系我们