Product

产品中心

LVP100H12E4-3TB

  • 紧凑型封装

  • 低开关损耗

  • PCB组装

  • 集成负温度系数传感器

  • 氧化铝绝缘衬板

产品应用

  • 三电平应用

  • 电机传动

  • 太阳能应用

  • UPS系统

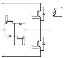
内部电路图

规格参数

TYPET1, T4T2, T3CircuitPackageTechnology
VCES
Volts
IC
Amps
VCE(SAT)
Volts
Ptot
Watts
VCES
Volts
IC
Amps
VCE(SAT)
Volts
Ptot
Watts
LVP100H12E4-3TB1200V100A1.60V375W650V50A1.50V175WT typeEZPACK 2BTrenchFS
LVP150H07E4-3IB650V150A1.50V335W650V150A1.50V335WI typeTrenchFS
LVP150H12E4-3TB1200V150A1.50V500W650V75A1.50V215WT typeTrenchFS
LVP200H12E4-3TB1200V200A1.50V600W650V100A1.50V250WT typeTrenchFS


行业应用

北一持续深耕高端精密元器件领域
打造民族品牌,用智能科技链接世界

联系我们