Product

产品中心

LVP75H12X4-3TM

  • 紧凑型封装

  • 低开关损耗

  • PCB组装

  • 集成负温度系数传感器

  • 氧化铝绝缘衬板

产品应用

  • 三电平应用

  • 太阳能应用

  • 空调 

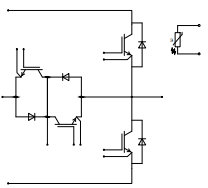
内部电路图

规格参数

TYPET1, T4T2, T3CircuitPackageTechnology
VCES
Volts
IC
Amps
VCE(SAT)
Volts
Ptot
Watts
VCES
Volts
IC
Amps
VCE(SAT)
Volts
Ptot
Watts
LVP25H12X4-3TM1200V25A1.80V215W650V30A1.60V150WT typeEZPACK 1BTrenchFS
LVP50H06X4-3IM600V50A1.50V175W600V50A1.50V175WI typeTrenchFS
LVP75H12X4-3TM1200V75A1.50V275W650V30A1.30V175WT typeTrenchFS


行业应用

北一持续深耕高端精密元器件领域
打造民族品牌,用智能科技链接世界

联系我们