Product

产品中心

LVG75H12E4L

  • 开关损耗低

  • 正温度系数饱和压降

  • 方形 RBSOA

  • 低电感外壳

  • 快速反向软恢复反并联FWD

  • 采用DBC技术的绝缘铜基板

产品应用

  • 电焊机

  • 变频器

  • 感应加热

  • 等离子切割机

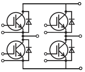
内部电路图

规格参数

TYPEVCES
Volts
VGES
Volts
IC
Amps
VCE(SAT)
Volts
(EON+EOFF)
mJ
TJPtot
Watts
CircuitPackageTechnology
LVG40H12E4L1200V ± 2040A2.10V5.2mJ150℃3804 Pack48mmNPT
LVG50H12E4L1200V ± 2050A2.80V5.8mJ150℃4014 PackNPT
LVG75H12E4L1200V ± 2075A2.80V11.8mJ150℃5954 PackNPT


行业应用

北一持续深耕高端精密元器件领域
打造民族品牌,用智能科技链接世界

联系我们