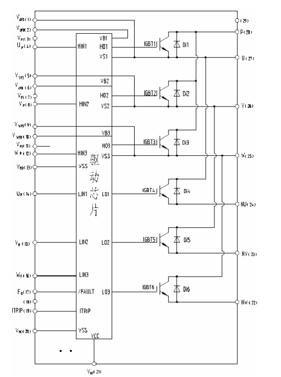
上桥臂IGBT:
驱动电路
高压高速的电平翻转
低压保护电路(UL)
下桥臂IGBT:
驱动电路
低压保护电路(UL)
短路保护电路(SC)
故障信号:
可以处理短路故障和欠压故障
输入接口的电压:
与3V及5V输入电平兼容
高电平有效
空调
洗衣机
冰箱
小功率工业传动
| Package | Type | VCES(V) | IC(A) | Hi-Pot test (Kv) | Recommended Switching Frequency(kHz) | Recommended Power(KW) | Thermal Interface | Bootstrap Diode | Undervoltage protection | Overcurrent protection | Temperature output | Interlocking | IGBT VCE(SAT) (V) | FRD VCE(SAT) (V) | Rth(j-c) (max)(°C/W) |
| DIP29 | LSPM15-06L | 600V | 15A | 2.5 | 20 | 2 | DBC | YES | YES | YES | NO | YES | 2.1 | 1.4 | 1.29 |
| LSPM20-06L | 600V | 20A | 2.5 | 20 | 2.5 | DBC | YES | YES | YES | NO | YES | 2.1 | 1.4 | 1.29 | |
| LSPM30-06L | 600V | 30A | 2.5 | 20 | 3 | DBC | YES | YES | YES | NO | YES | 2.1 | 2.2 | 1.29 | |
| LSPM50-06L | 600V | 30A | 2.5 | 20 | 3 | DBC | YES | YES | YES | NO | YES | 1.5 | 1.45 | 1.05 | |
| LSPM15-12L | 1200V | 15A | 2.5 | 20 | 3 | DBC | YES | YES | YES | NO | YES | 1.7 | 1.65 | 1.29 |