Product

产品中心

LSPM20-06L

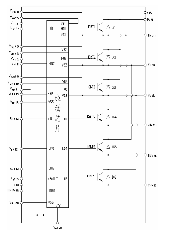
  • 上桥臂IGBT:

  • 驱动电路

  • 高压高速的电平翻转

  • 低压保护电路(UL)

  • 下桥臂IGBT:

  • 驱动电路

  • 低压保护电路(UL)

  • 短路保护电路(SC)

  • 故障信号: 

  • 可以处理短路故障和欠压故障

  • 输入接口的电压:

  • 与3V及5V输入电平兼容

  • 高电平有效

产品应用

  • 空调

  • 洗衣机

  • 冰箱

  • 小功率工业传动

内部电路图

规格参数

PackageTypeVCES(V)IC(A)Hi-Pot test
(Kv)
Recommended Switching Frequency(kHz)Recommended
Power(KW)
Thermal InterfaceBootstrap
Diode
Undervoltage protectionOvercurrent protectionTemperature outputInterlockingIGBT VCE(SAT)
(V)
FRD VCE(SAT)
(V)
Rth(j-c)
(max)(°C/W)
DIP29LSPM15-06L600V15A2.5202DBCYESYESYESNOYES2.11.41.29
LSPM20-06L600V20A2.5202.5DBCYESYESYESNOYES2.11.41.29
LSPM30-06L600V30A2.5203DBCYESYESYESNOYES2.12.21.29
LSPM50-06L600V30A2.5203DBCYESYESYESNOYES1.51.451.05
LSPM15-12L1200V15A2.5203DBCYESYESYESNOYES1.71.651.29


行业应用

北一持续深耕高端精密元器件领域
打造民族品牌,用智能科技链接世界

联系我们