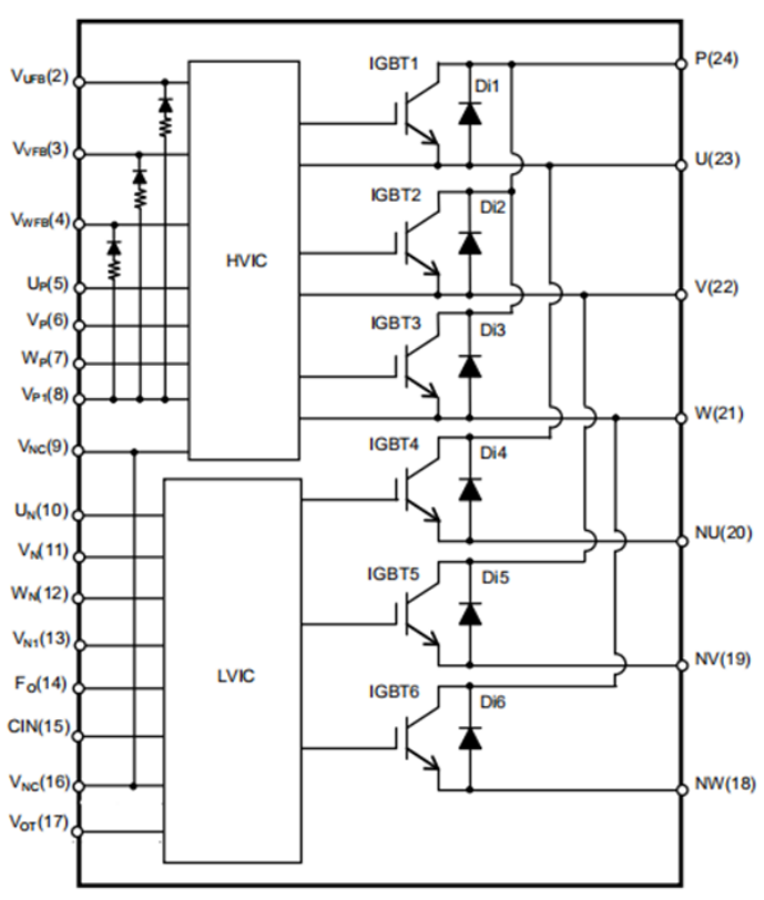
IGBT驱动:增强型输入滤波,高速600V电平转换,电源欠压保护,短路(过流)保护
故障信号:短路(过流)和电源欠压故障
输入接口:兼容3.3V & 5V输入信号,高电平有效
温度检测:负温度系数检测输出
下桥臂IGBT发射极输出
内置低损耗600V 20A IGBT三相逆变器
内置自举二极管
空调&冰箱压缩机
低功率变频器
| Package | Type | VCES(V) | IC(A) | Hi-Pot test (Kv) | Recommended Switching Frequency(kHz) | Recommended Power(KW) | Thermal Interface | Bootstrap Diode | Undervoltage protection | Overcurrent protection | Temperature output | Interlocking | IGBT VCE(SAT) (V) | FRD VCE(SAT) (V) | Rth(j-c) (max)(°C/W) |
| DIP25 | LSPM10-06S | 600V | 10A | 1.5 | 20 | 1 | DBC | YES | YES | YES | VOT | YES | 1.7 | 1.4 | 3 |
| LSPM15-06S | 600V | 15A | 1.5 | 20 | 1.5 | DBC | YES | YES | YES | VOT | YES | 1.8 | 1.5 | 3 | |
| LSPM20-06S | 600V | 20A | 1.5 | 20 | 2 | DBC | YES | YES | YES | VOT | YES | 1.8 | 1.5 | 1.8 | |
| LSPM30-06S | 600V | 30A | 1.5 | 20 | 3 | DBC | YES | YES | YES | VOT | YES | 1.5 | 1.45 | 1.8 |